Ultraschall-Wärmezähler

  • Druckstufe PN 16 - ab qp 15,0 m3/h → PN 25
  • horiontaler & vertikaler Einbau möglich
  • magnetfeldfreie Messung ohne bewegte Teile
  • staub- und spritzwassergeschützt

 

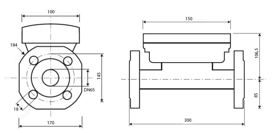
Ultraschall-Wärmezähler Flanschanschluss x 300 mm - 25,0 m³/h
Artikelnummer: 10898
GTIN: 4064966014644

Ultraschall-Kompaktwärmezähler mit Temperaturfühler 5,2 mm - DN 65 - geeignet für Tauchhülsenmessung

Ultraschall-Wärmezähler qp 25,0 m3/h - Temperaturfühler 5,2 mm - DN 65

Dieser Ultraschall-Wärmezähler mit Flanschanschluss ist in seiner Standardausführung mit integriertem Rechenwerk ausgestattet. Er ist zugelassen nach MID Klasse 2 und 3 sowie K 7.2 (Kälte) und hat eine Applikation als Wärmezähler. Er kann jedoch auch als Wärme-Kältezähler und Kältezähler eingesetzt werden. Das Gehäuse kann horizontal sowie vertikal eingebaut werden.

Das Kunststoff-Rechenwerk verfügt über eine achtstellige Flüssigkristallanzeige ohne Hintergrundbeleuchtung mit Sonderzeichen. Die darstellbaren Werte sind in drei Anzeigenschleifen zusammengefasst und können über eine Taste abgerufen werden. Als Standardanzeige ist die kumulierte Wärmemenge seit Inbetriebnahme eingestellt.

Die Standardschnittstelle ist die optische Schnittstelle nach IEC 870-5. Für optionale Module sind zwei Steckplätze vorhanden. Die Module sind einfach nachrüstbar. Die Auslesung und Konfiguration kann mithilfe der Software IZAR@SET erfolgen, entweder optisch oder per MBus (drahtgebunden).

Der Vorteil von Ultraschall-Wärmezählern ist, dass sich im Volumenmessteil keinerlei bewegliche Teile befinden. Dadurch sind sie weitgehend unempfindlich gegen Ablagerungen aus dem Heizwasser und arbeiten nahezu verschleißfrei und geräuschlos. Die Geschwindigkeit des Messmediums wird mit dem Laufzeitdifferenzverfahren bestimmt. Dazu wird ein Ultraschallsignal einmal in Flussrichtung und einmal entgegen dieser eingekoppelt. In Richtung des Volumenstroms wird das Signal beschleunigt, entgegen der Fließrichtung wird es verzögert. Aus der gemessenen Laufzeitdifferenz kann die Fließgeschwindigkeit und daraus wiederum das Volumen ermittelt werden.

Der errechnete Energieverbrauch kann bequem vom Gerätedisplay abgelesen werden und steht somit direkt für die Heizkostenabrechnung zur Verfügung. Der Wärmezähler kann einfach und problemlos von Fachpersonal eingebaut und nachgerüstet werden. Eine Nachrüstung über externe Funkmodule ist jederzeit möglich.

Im Lieferumfang ist zusätzlich Plombiermaterial enthalten.

 

WICHTIGER HINWEIS: Dieser Ultraschallzähler ist auch mit folgender Ausstattung verfügbar.

Bitte stellen Sie Ihre Anfrage unter Angabe der jeweiligen Artikelnummer.

M-Bus (drahtgebunden) und 230 V-Netzkarte in der Ausführung als Wärme-/Kältezähler Artikelnummer 11313
Reiner Kältezähler mit Zulassung K7.2 Artikelnummer 11314
M-Bus (drahtgebunden) Artikelnummer 11315
M-Bus (drahtgebunden) und 230 V-Netzkarte Artikelnummer 11316
Durchflusssensor
Nenndurchfluss qp: 25 m3/h
Nennweite DN: 65 mm
Baulänge: 300 mm
kleinster Durchfluss qi:

100 l/h (bei horizontaler Einbaulage)
250 l/h

größter Durchfluss qs: 50 m3/h
Überlastwert: 60 m3/h
Betriebsdruck PN: 25 bar
Temperaturbereich Wärmezähler: 5 °C - 130 °C
Temperaturbereich Wärme-/Kältezähler: 5 °C - 105 °C
Temperaturbereich Kältezähler: 5 °C - 50 °C
Rechenwerk
Anzeige: Flüssigkristallanzeige ohne Hintergrundbeleuchtung mit 8 Stellen und Sonderzeichen
Schutzklasse: IP54
Energieversorgung: A-Zelle 3,6 VDC Batterie (11 Jahre Lebensdauer) oder
Netzteil 120 VAC oder 24 VAC
Schnittstellen - Standard: optische Schnittstelle nach IEC 870-5
Schnittstellen - optional: 2 Steckplätze für optionale Nachrüstmodule
Temperaturfühler Wärmezähler
Sensortyp: Pt 100
Durchmesser: 5,2 mm
Kabellänge: 2 Meter
Temperaturmessbereich: 1 °C bis 180 °C
Temperaturfühler Wärme-/Kältezähler
Sensortyp: Pt 500
Durchmesser: 5,2 mm
Kabellänge: 2 Meter
Temperaturmessbereich: -20 °C bis 105 °C / 150 °C

Zurück