Ultraschall-Wärmezähler

  • Druckstufe PN 16 - ab qp 15,0 m3/h → PN 25
  • horiontaler & vertikaler Einbau möglich
  • magnetfeldfreie Messung ohne bewegte Teile
  • staub- und spritzwassergeschützt

 

Ultraschall-Wärmezähler Flanschanschluss x 360 mm - 60,0 m³/h
Artikelnummer: 10984
GTIN: 4064966016082

Ultraschall-Kompaktwärmezähler mit Temperaturfühler 5,2 mm - DN 100 - geeignet für Tauchhülsenmessung

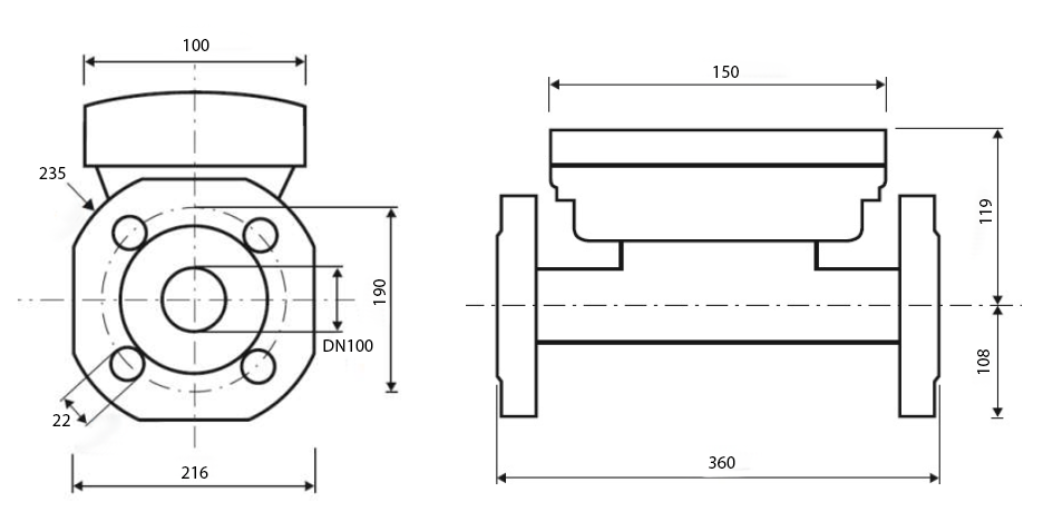
Ultraschall-Wärmezähler qp 60,0 m3/h - Temperaturfühler 5,2 mm - DN 100

Dieser Ultraschall-Wärmezähler mit Flanschanschluss verfügt über ein integriertes Rechenwerk und eine Wandhalterung. Er ist zugelassen nach MID Klasse 2 und 3 sowie K 7.2 (Kälte).

  • die wirbelfreie Reflektorumströmung verhindert das Festsetzen von Schmutzpartikeln an der Reflektoroberfläche
  • aufgrund des einzigartigen Freistrahlprinzips wird nur das Volumen gemessen, das durch das Messrohr strömt
  • metrologische Dynamik (qp/qi) 1:250 - besonders weiter Dynamikbereich (Klasse 2)
  • es sind keine Einlaufstrecken notwendig
  • die Kabellänge zwischen Durchflusssensor und Rechenwerk beträgt 1,4 Meter
  • die Einbaulage des Durchflusssensors ist beliebig

Das Rechenwerk verfügt über eine automatische Modulerkennung und Modulanzeige im Display. Es ist mit einem Stromsparmodus ausgestattet und kann abgesetzt werden – entweder mittels Wandhalter oder Absetzhalter.

Optionale Module können einfach nachgerüstet werden und ihre Funktion muss nicht aktiviert werden. Die Auslesung und Konfiguration kann mithilfe der Software IZAR@SET erfolgen, entweder optisch oder per MBus (drahtgebunden). Eine Nachrüstung über externe Funkmodule ist jederzeit möglich.

Im Lieferumfang ist Plombiermaterial enthalten.

Durchflusssensor
Nenndurchfluss qp: 60 m3/h
Nennweite DN: 100 mm
Baulänge: 360 mm
Anlaufwert: 120 l/h
kleinster Durchfluss qi:   240 l/h (nur horizontale Einbaulage)
  600 l/h (nur in Steig-/Fallrohren oder gekippter Einbaulage)
1200 l/h (nur in Überkopf-Einbaulage)
größter Durchfluss qs: 120 m3/h
Überlastwert: 132 m3/h
Betriebsdruck PN: 25 bar
Druckverlust bei qp: 75 mbar
Temperaturbereich Wärmezähler: 5 °C - 150 °C
Temperaturbereich Wärme-/Kältezähler: 5 °C - 105 °C
Temperaturbereich Kältezähler: 5 °C - 90 °C
Rechenwerk
Anzeige: 8-stelliges LC-Display ohne Hintergrundbeleuchtung
absoluter Temperaturmessbereich: 1 °C - 180 °C
Temperaturdifferenz: 3 K - 175 K
Schutzklasse: IP54
Energieversorgung: A-Zelle 3,6 VDC Batterie (max. 16 Jahre Lebensdauer) oder
Netzteil 230 VAC oder 24 VAC
Schnittstellen - Standard: optische ZVEI-Schnittstelle
Schnittstellen - optional: 2 Steckplätze für Module mit MBus, ModBus, Impulsausgang, Impulseingang
Temperaturfühler Wärmezähler
Sensortyp: Pt 100 < 8; rms < 0,015
Anschlussart: 2-Leiter-Technik
Durchmesser: 5,2 mm
Kabellänge: 2 Meter
absoluter Temperaturmessbereich: 1 °C - 180 °C
Messzyklus mit
- Netzteil:
- Batterie A-Zelle:
- D-Zelle:

2 s
16 s
4 s

Temperaturfühler kombinierter Wärme-/Kältezähler und Kältezähler
Sensortyp: Pt 500
Anschlussart: 2-Leiter-Technik
Durchmesser: 5,2 mm
Kabellänge: 2 Meter
Messzyklus mit
- Netzteil:
- Batterie A-Zelle:
- D-Zelle:

2 s
16 s
4 s

Temperaturmessbereich: -20 °C bis 105 °C bzw. 150 °C
Toleranzklasse B: ± (0,30 K + 0,005 x │t│)
empfohlener Messstrom: 0,7 mA
Maximalstrom: 3,0 mA
Temperaturkoeffizienz: α = 3,850 x 10¯3 °C¯1 (zwischen 0 und 100 °C)
Langzeitstabilität: max. Ro -drift 0,05 %/Jahr
Isolationswiderstand: > 10 MΩ bei Raumtemperatur

Zurück