Kontakt
Impressum
Datenschutz
Home
Unternehmen
Vorstellung
Firmenverbund
Karriere
Produkte
Wasserzähler
Wärmezähler
Werkzeuge / Zubehör
Konformitätsbewertung
Smart
smart RENT
Unsere Werksvertretungen
Service
Ansprechpartner
FAQ
Preis-Matrix Paketversand 📄
News
Downloads
Navigation überspringen
Home
Unternehmen
Vorstellung
Firmenverbund
Karriere
Produkte
Wasserzähler
Wasserzähler SMART i OMS
Wasserzähler SMART M OMS
Wasserzähler SMART M
MODULTECHNIK: Zubehör für Wasserzähler SMART M
Ventil-Installationen
Ventilwasserzähler - Nachrüstung auf vorhandene UP-Ventile
Anschlussarmaturen für Geradsitzventile nach DIN 3512
Anschlussarmaturen für Schrägsitzventile nach DIN 3502
Anschlussarmaturen für Rundstromventile DIN 3500
ZUBEHÖR Ventil-Installationen
Unterputz-Installationen: Miniblöcke
Aufputz-/Unterputz-Installationen: Traversen
ZUBEHÖR Miniblöcke/Traversen
ZUBEHÖR Messkapsel TKS
Vormontagen Messkapsel TKS
ZUBEHÖR Messkapsel KOAX G2
Austauschgehäuse und Vormontagen Messkapsel Koax G2
ZUBEHÖR Unterputz- und Aufputz-Installationen
ZUBEHÖR Werkzeuge
Mehrstrahl-Hauswasserzähler
MNK 4,0 - Nassläufer Kaltwasser
MNK 10,0 - Nassläufer Kaltwasser
MNK 16,0 - Nassläufer Kaltwasser
MTK 4,0 - Trockenläufer Kaltwasser - EED ready
MTK 10,0 - Trockenläufer Kaltwasser - EED ready
MTK 16,0 - Trockenläufer Kaltwasser - EED ready
MTW 4,0 - Trockenläufer Warmwasser - EED ready
MTW 10,0 - Trockenläufer Warmwasser - EED ready
ZUBEHÖR Mehrstrahl-Hauswasserzähler
Großwasserzähler
Woltman Großwasserzähler - horizontal
Woltman Großwasserzähler - horizontal und vertikal
Verbundwasserzähler
Für FREMDFABRIKATE: Wasserzähler für Austausch- und Erstinstallation
ELSTER Anschlussschnittstelle MOC / MOE
SENSUS Anschlussschnittstelle MUK
BRUNATA Anschlussschnittstelle MET
TECHEM Anschlussschnittstelle TE1
NEPTUN, WEHRLE, ZENNER, SPX 4193 Anschlussschnittstelle WE1
Wärmezähler
Wärmezähler SMART W OMS
Ultraschall-Wärmezähler SMART W OMS
Flügelrad-Wärmezähler SMART W OMS
Wärmezähler ohne Funk
Kompakt-Wärmezähler TKS & KOAX G2 und Zubehör
ZUBEHÖR Kompakt-Wärmezähler TKS & KOAX G2
Kompakt-Wärmezähler AMS ECO, TECHEM ECO, INLINE ECO & ULTRA ECO und Zubehör
MODULTECHNIK/OPTIONEN: Zubehör für Kompakt-Wärmezähler ECO
Ultraschall-Wärmezähler und Zubehör
MODULTECHNIK/OPTIONEN: Zubehör für Ultraschall-Wärmezähler
ZUBEHÖR für alle Wärmezähler
System Splitwärmezähler
System Splitwärmezähler: Komplettlieferung
LIEFEREINHEIT 1: Einbausatz mit Distanzstück etc.
System Splitwärmezähler: Einzelkomponenten
Rechenwerk, Temperaturfühler, Optionen
Volumenmessteile Woltman qp 15 - qp 200
ZUBEHÖR Volumenmessteile
Werkzeuge / Zubehör
sonstiges ZUBEHÖR
Fernablesung
MODULTECHNIK: Module für Aufputz- und Unterputz-Wasserzähler
MODULTECHNIK: Module für MTK/MTW Hauswasserzähler
MODULTECHNIK: Zubehör für Wärmezähler
Konformitätsbewertung
Smart
smart RENT
Unsere Werksvertretungen
Service
Ansprechpartner
FAQ
Preis-Matrix Paketversand 📄
News
Downloads
Verlängerung 20 mm - Messing
Deltamess /
Produkte /
Wasserzähler /
ZUBEHÖR Messkapsel KOAX G2 /
Verlängerung 20 mm - Messing
Suchbegriffe
Suchen
Austauschgehäuse und Vormontagen Messkapsel Koax G2
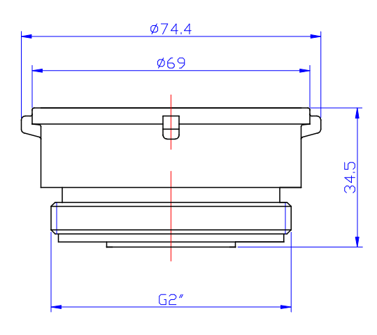
Verlängerung 20 mm - Messing
Artikelnummer: 11006
GTIN: 4064966016297
Zubehör für Messkapsel Koax G2
jetzt Anfrage stellen
Anfrage für Verlängerung 20 mm - Messing
×
Bitte addieren Sie 6 und 3.
Do not fill in this field
Ich bin mit der Verarbeitung meiner Daten im Rahmen des Kontaktformulars einverstanden. Es gilt die
Datenschutzerklärung
.
Anfrage absenden
*Pflichtfeld
Beschreibung
Downloads
Verlängerung 20 mm für Messkapsel Koax G2
Verlängerung für
EAS Koax G2
Material: Messing
11006 Verlängerung Messkapsel Koax G2-Maße.PNG
(11,4 KiB)
Zurück